
垂直振动提升机用于颗粒状、块状、粉状的固体物料(粘度不大)垂直提升,可对物料进行干燥、冷却作业,分为敞开式、封闭式两种结构,物料可向上输送,也可向下输送,占地面积小,便于工艺布置。
输送量:3.5吨/时 提升高度:≤6米
全国统一销售热线
免费获取报价
DZC垂直振动提升机采用振动电机作振动源,利用两振动电机的合成振幅,将物料沿螺旋输送槽向上输送。DZC垂直输送机主要用于提升颗粒状、粉状、块状物料。本输送机结构简单,维修容易,物料定量送出,输送量连续可调,可作为各行业中,小颗粒物料的垂直输送之用.除具有从下向上提升物料外,还可以完成对物料的干燥、冷却作用。分开槽式、封闭式两种结构,并可根据不同工艺的要求,设计物料颗粒分级作用的筛选提升机及设计易燃易爆物料的提升机。

1、干燥冷却:提升机可加装干燥冷却装置,使物料干燥冷却。
2、分级功能:本机可根据不同行业和需求设计分级物料,甚至可燃物料。

垂直振动提升机用于垂直提升散装固体物料,其中包括具有干、湿、温、油腻和冷冻特性,除了从下往上提升物料外,它还可以干燥和冷却物料,。可根据不同工艺的要求设计不同等级的物料颗粒筛分和易燃易爆物料的提升机,广泛应用于矿山、冶金、机械、建材、化工、橡胶、医药、电力、粮食等行业。


1、除垂直提升物料外,还可以完成对物料的干燥、冷却作用。
2、垂直提升高度可达6米,输送量可达4吨/时。
3、物料可向上输送,亦可向下输送。
4、封闭式提升可有效的防止了粉尘和有害气体对工作环境的污染。

DZC系列电机振动垂直提升机是由提升槽、振动电机、减振系统和底座等组成。该系列提升机是采用振动电机作为振动源,固定在提升槽上的两台相同型号的振动电机中心线交叉一定角度安装,并做相反方向自同步旋转,振动电机所带的偏心块在旋转时各个瞬间位置所产生的离心力之分力沿抛掷方向作往复运动,使支承在减振器上的整个机体不停振动,使物料在提升槽内被抛起的同时向上运动,物料落入入料槽后,开始被抛起,此时可以使物料与空气充分接触,还可以起到散热冷却的作用。该提升机对粉状、块状和短纤维状的固体物料(有粘性和易结块的除外)都可垂直输送,还可以完成对物料的干燥、冷却作用。分敞开式、封闭式两种结构。并可按照用户需要进行特殊设计。

| 型号 | 输送量 (t/h) |
输送槽直径 (mm) |
输送宽度 (mm) |
输送高度 (m) |
振次 (min) |
双振幅 (mm) |
电动功率 (kw) |
重量 (kg) |
| DZC300 | ~1.0 | 300 | 77 | ≤2.0 | 960 | 6~7 | 2×0.4 | 680 |
| DZC500 | ~2.0 | 500 | 140 | ≤3.0 | 6~8 | 2×0.75 | 1010 | |
| DZC550 | ~3.0 | 550 | 152 | ≤3.5 | 6~8 | 2×1.5 | 1190 | |
| DZC600 | ~3.0 | 600 | 163 | ≤4.0 | 6~7 | 2×1.5 | 13210 | |
| DZC800 | ~4.0 | 800 | 224 | ≤4.5 | 6~8 | 2×2.2 | 1590 | |
| DZC850 | ~4.0 | 850 | 224 | ≤5.0 | 6~9 | 2×2.2 | 1750 | |
| DZC900 | ~3.5 | 900 | 185 | ≤6.0 | 6~9 | 2×3.0 | 2100 |
DZ C □
┬ ┬ ┬
│ │ │
│ │ │
│ │ │
│ │ └───────────── 输送槽直径(mm)
│ │
│ └──────────────- 垂直
│
└──────────────── 电机振动
1、基本型(DZC--Z),为敞开输送槽结构,用于一股物料无特殊要求的向上(或向下)输送作业。
2、封闭型(DZC--ZF)为封闭输送槽结构,用于对物料有防尘要求的场合向上(或向下)输送作业。

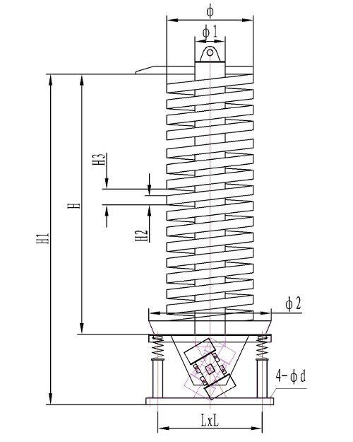
| 型号 | Φ | Φ1 | Φ2 | H | H1 | H2 | H3 | D | Lx8 | Ld×Bd | Φd |
| DZC300 | 300 | 146 | 500 | ~2000 | ~2750 | 40 | 75 | 270 | 680×680 | \ | 11 |
| DZC500 | 500 | 219 | 850 | ~3000 | ~4020 | 50 | 80 | 475 | 1080×1080 | 880×880 | 13 |
| DZC550 | 550 | 245 | 900 | ~3500 | ~4530 | 55 | 85 | 500 | 1100×1100 | 900×900 | 13 |
| DZC600 | 600 | 273 | 950 | ~4000 | ~5150 | 60 | 85 | 525 | 1100×1100 | 900×900 | 15 |
| DZC800 | 800 | 351 | 1200 | ~4500 | ~5650 | 60 | 90 | 650 | 1300×1300 | 1050×1050 | 15 |
| DZC850 | 850 | 402 | 1250 | ~5000 | ~6150 | 65 | 100 | 675 | 1400×1400 | 1150×1150 | 17 |
| DZC900 | 900 | 530 | 1300 | ~6000 | ~7180 | 65 | 110 | 700 | 1600×1600 | 1300×1300 | 17 |

1、安装时应保证支撑管与水平垂直,其轴线不垂直度不大于总高的2/1000;
2、垂直振动提升机一般在室内使用;
3、地角螺钉固定,接地保护;
4、垂直提升机不允许与周围物件有连接,并留有一定的活动间隙,以防影响或振动产生噪音。
相关产品: GTD、GTH高效斗式提升机 、 TB系列垂直斗式提升机、TG系列钢芯胶带斗式提升机
Copyright ? 2008-2019螺旋输送机厂家-新乡市大汉振动机械有限公司 All Rights Reserved 版权所有
网站备案号:豫ICP备09002479号-47

